Novinka v rubrike : Poradňa/Consulting
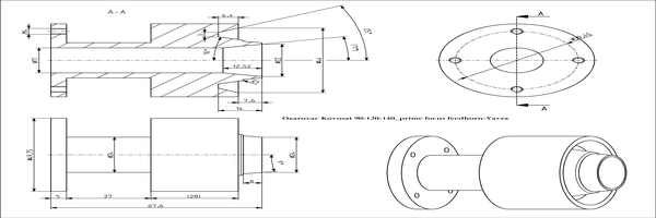
Názov novinky : Feedhorn Invacom ADF 120 & Ožarovač Kovosat 90-120-140 : Výroba ožarovača pre stredové antény_výkresová dokumentácia
odkaz na novinku : Feedhorn Invacom ADF 120 & Ožarovač Kovosat 90-120-140 : Výroba ožarovača pre stredové antény_výkresová dokumentácia
| CZECH AND SLOVAK DX SATELLITE CLUB (dxsatcs.com)
